Download Images Library Photos and Pictures. Diagram Hard Drive Data Plug Wiring Diagrams Full Version Hd Quality Wiring Diagrams Df1x44 Epaviste Gratuit Idf Fr Microusb To 3 5 Or 2 5 Jack Headset Pinout Diagram Pinoutguide Com Ad5dd3f Wiring Diagram Of Usb Cable Wiring Library Usb Wiring Diagram Micro Usb Pinout 7 Images Sm Tech
Contrary to popular belief. Before wiring usb you need to know the pinout diagram of usb.
. Diagram Micro Usb To Rca Wiring Diagram Full Version Hd Quality Wiring Diagram Cyclonengines Bray Cnc Fr Usb Wikipedia Samsung Cable Wiring Diagram Gator Wiring Diagram Free Picture Schematic Bobcate S70 Diau Tiralarc Bretagne Fr
Diagram Hard Drive Data Plug Wiring Diagrams Full Version Hd Quality Wiring Diagrams Df1x44 Epaviste Gratuit Idf Fr
Diagram Hard Drive Data Plug Wiring Diagrams Full Version Hd Quality Wiring Diagrams Df1x44 Epaviste Gratuit Idf Fr Micro usb cable wiring diagram active power there are numerous types of electronics on the market.
. With knowledge of micro usb b cable wiring diagram and its components can help user discovering what is wrong with the device when it isnt working. According to 5 wire micro usb cable wiring diagram you will find just four wires used from the cable. The red one is for positive wire with dc ability of 5 volts.
Wiring diagram there are a number of kinds. Black cable serves as floor just like in every other device. Half duplex differential signaling helps to combat the effects of electromagnetic noise on longer lines.
Type a usb pinout diagram micro usb pinout diagram along with usb wiring diagram. Micro usb b cable wiring diagram images. Two for power 5v gnd two for differential data signals labelled as d and d in pinout.
It can also connect device to a power source usb to 14 wiring diagram. Typically it uses black black red and white cable colours. In addition it can help consumer building their own usb cable based on specific requirements such as rate and cable length.
Most of them use usb cable. This cable is most commonly used in mobile charger for charging mobile phones and as a usb data cable to connect mobile devices to tranfer files and images between personal computers and phones. December 4 2020 usb wiring diagram by yamama.
Nrzi non return to zero invert encoding scheme used to send data with a sync field to synchronise the host and receiver clocks. In usb data cable data and data signals are transmitted on a twisted pair. Below is the figure showing the pinout diagram of the usb micro b and usb a wiring diagram.
The cable may be used to transfer information from one device to another. Micro usb cable uses 4 shielded wires. Hopefully this information will be put into a good use.
Diagram Ipod Usb Cable Wiring Diagram Full Version Hd Quality Wiring Diagram Enter Campohobbit It
Samsung Mobile Phone Micro Usb Pinout Diagram Pinoutguide Com
Micro Usb Charger Cable Pinout Diagram Pinoutguide Com
Vr 7289 Usb Cable Wiring Together With Micro Usb Otg Cable Diagram As Well Usb Wiring Diagram
Diagram Micro Usb Cable Wiring Diagram Full Version Hd Quality Wiring Diagram Mybodydiagramv Annameacci It
Guide To Usb C Pinout And Features Technical Articles
Micro Usb Wiring Diagram Micro Usb Usb Data Cable
Micro Usb Pinout Because Everything Is Terrible Never Stop Building Crafting Wood With Japanese Techniques
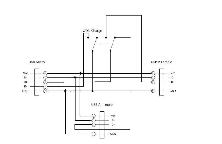
Diy Cable To Use Otg And Simultaneously Charge The Device Windows And Android 4 Steps Instructables
Micro Usb Pinout Mini Usb Wiring Diagram Mini Angle Electronics Png Pngegg
Diagram Micro Usb To Rca Wiring Diagram Full Version Hd Quality Wiring Diagram Cyclonengines Bray Cnc Fr
Diagram Jun And Mini Usb Cable Wiring Diagram Full Version Hd Quality Wiring Diagram Discountautomotiveproducts Armandopodo Fr
Usb Wire Diagram Schematic Micro Wiring Connector Colors To With Micro Usb Otg Micro Usb Cable
Usb 4 Pin Wiring Diagram Autocad Wire Harness Diagram Vww 69 Ab12 Jeanjaures37 Fr
Diagram Micro Usb Cable Wiring Diagram Full Version Hd Quality Wiring Diagram Mybodydiagramv Annameacci It
Micro Usb To Rca Wiring Diagram
Diagram Diagrama De Cableado Cable Micro Usb El U00e9ctrico Para V8 Micro Usb Cable De Datos Para Smartphone Wiring Diagram In Pdf And Cdr Files Format Free Download Wiring Diagram Thevenndiagrambutishop Butishop It
Double Side Reverse Plug Micro Usb Charging Cable Connection Data Cable For Andriod Smartphone Samsung Htc Google Blackberry Digital Camera Toys Tablets 1m Silver Buy Double Side Reverse Plug Micro Usb
Hemp Rope Woven Micro Usb Data Line Charge Data Cable For Samsung Huawei Nokia Htc Xiaomi V8 Charge Data Wire Free Shipping Data Cable Usb Usbcable Usb Usb Aliexpress
Micro Usb Wiring Diagram Mihella Me New Micro Usb Usb Data Transmission
Diagram Usb Host Cable Wiring Diagram Full Version Hd Quality Wiring Diagram Wiringdualbatterys Medicinadellasaluteebellezza It
Samsung Cable Wiring Diagram Gator Wiring Diagram Free Picture Schematic Bobcate S70 Diau Tiralarc Bretagne Fr

